一些运算放大器 (op amps) 具有感性开环输出阻抗开环和闭环,稳定此类运算放大器可能比具有电阻性输出阻抗的运算放大器更复杂。 最常见的技术之一是使用“断开环路”方法,该方法涉及断开闭环电路的反馈环路并查看环路增益以确定相位裕度。 一种鲜为人知的方法是使用不需要断开环路的闭环输出阻抗。 在本文中,我将讨论如何使用闭环输出阻抗来稳定具有阻性或感性开环输出阻抗的运算放大器。
公式 1 计算闭环输出阻抗 Zout,它取决于开环输出阻抗 Zo、开环增益 Aol 和反馈系数 B。公式 1 显示 Zout 随着 Aol 的减小而增加:
Zout = Zo/(1 + Aol*B)(1)
闭环输出阻抗可以是阻性、感性或双感性,具体取决于运算放大器中开环输出阻抗的设计方式。 对于具有阻性开环输出阻抗的运算放大器,闭环输出阻抗是阻性的,并且随着 Aol 的降低而随频率增加。 当 Aol 减小时,闭环输出阻抗变为感性。 对于具有感性开环输出阻抗的运算放大器,闭环输出阻抗将是双感性的。
图 1 显示了运算放大器的闭环输出阻抗的两个示例。 左边是阻性开环输出阻抗; 右边是开环输出阻抗中的感性区域。 对于左侧的阻性开环输出阻抗,请注意在大约 10 Hz 时,Zout 随频率增加并表现为 16.4µH 的电感。 右侧的感性开环输出阻抗示例具有三个区域:电容性、电阻性和电感性。 这使得闭环输出阻抗分别为电阻性、双感性和感性。
图 1:电阻 Zo、电阻和电感 Zout(左); 带电感区的 Zo开环和闭环,带双电感的 Zout(右)
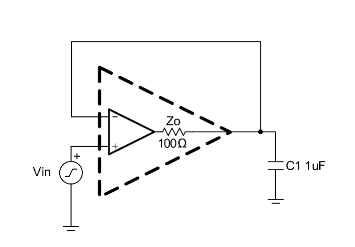
图 2 显示了一个运算放大器,它具有驱动容性负载的阻性开环输出阻抗。
图 2:驱动容性负载的阻性开环输出阻抗
图 3 显示了 1µF 电容器的阻抗 (Zc)、闭环输出阻抗 (Zout) 和等效闭环输出阻抗 (Zeq)。 可以看出,等效阻抗的谐振频率约为 40 kHz(Zout 的感性区域与容性负载相交)。 该谐振频率会导致运算放大器输出振荡,从而导致不稳定。
图 3:1µF 电容器阻抗、闭环输出阻抗和等效闭环输出阻抗
图 4 显示了由谐振频率引起的运算放大器输出上的大量过冲。 运算放大器的输出在 40 kHz 左右振荡。
图 4:输出上的大量过冲
为了纠正这种不稳定性,必须在电路中添加一个隔离电阻,因为这会改变等效闭环阻抗并抵消谐振频率。 公式 2 给出了计算稳定电路所需的最小电阻值:
R>2*sqrt(信用证) (2)
如前所述,Zout 表现为 16.4µH 电感。 对于 1µF 的容性负载,必须使用 8Ω 或更大的隔离电阻来稳定电路。 图 5 显示了带有隔离电阻器的原理图。
图 5:带有隔离电阻器的示意图
图 6 显示了带隔离电阻器的等效闭环输出阻抗 (Zeq)。 请注意谐波峰值已被消除。
图 6:带隔离电阻的等效闭环输出阻抗
图 7 显示大量过冲已被添加的 8Ω 隔离电阻器消除。
图 7:使用 8Ω 隔离电阻后的过冲
具有感性开环输出阻抗的运算放大器
一些运算放大器在开环输出阻抗中有一个感性区域。 这使得闭环输出阻抗双重感性,难以稳定容性负载。 图 8 显示了 1µF 电容阻抗 (Zc)、闭环输出阻抗 (Zout) 以及使用具有感性开环输出阻抗的运算放大器的等效闭环输出阻抗 (Zeq)。 再次注意,在大约 120 kHz 处有一个峰值,双电感闭环输出阻抗与容性负载阻抗相互作用,导致不稳定。
图 8:1µF 电容器阻抗、闭环输出阻抗和等效闭环输出阻抗
图 9 显示了 Zeq 峰化在运算放大器输出上引起的大量过冲。 运算放大器的输出在 120 kHz 左右振荡。
图 9:输出上的大量过冲
为了纠正这种不稳定性,可以在反馈环路中加入一个电阻来改变开环输出阻抗,从而消除闭环输出阻抗中的双感区。 这简化了用于稳定运算放大器的隔离电阻器的计算。 图 10 显示了在反馈环路中添加的电阻器,用于改变开环输出阻抗。




